info@jadrantehnika.hr
+385 95 884 3743
17. siječnja 2023.
Proizvodi
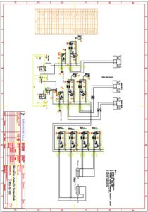
Agregat za pogon stroja u automatskoj liniji kovanja i izrade navoja
Naručitelj (TTO thermotehnik d.o.o.)
Kapacitet agregata 60 l
Snaga motora 7 kw
Tandem pumpa
8 funkcija upravljanjih solenoidima
Max tlak 250 bar
Hladnjak ulje voda
Poštovani,
Možete li mi ponuditi hidraulični agregat snage elektromotra 7.5kw i pumpe koja ostvaraju protok cca 30L pri 150 bara tlaka (Radni). Spremnik ulja ne treba biti velik cca 50-70L po mogućnosti plastični
Lijep pozdrav
Vaša adresa e-pošte neće biti objavljena. Obavezna polja su označena sa *
Komentar *
Ime *
E-pošta *
Web-stranica
Spremi moje ime, e-poštu i web-stranicu u ovom internet pregledniku za sljedeći put kada budem komentirao.
Poštovani,
Možete li mi ponuditi hidraulični agregat snage elektromotra 7.5kw i pumpe koja ostvaraju protok cca 30L pri 150 bara tlaka (Radni).
Spremnik ulja ne treba biti velik cca 50-70L po mogućnosti plastični
Lijep pozdrav